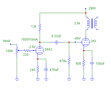
As simple as it gets!

I haven't built this yet but let me know if you are interested. Note that if you want to use it as power amp, simply take away the volume pot and replace with a 100k resistor OR just turn the volume pot to max and use your preamp to control volume.
Latest update! Mr. Chang here has built the above amp and found the voltages exactly as shown!
Operating points were taken off from various user's input in Joelist.